IEM-612避雷器在线监测系统
| 联系人: | 张经理 |
|---|---|
| 电话: | 18909295212 |
| 邮箱: | 318740064@qq.com |
| 网址: | www.xashuguang.com.cn |
| 地址: | 陕西省西安市西咸新区沣东新城三桥武警路蔺家村104号 |
| 留言咨询 更多信息 | |
| 分享: |
|
摘要
-
避雷器运行时的泄漏电流主要由线性的容性电流分量和非线性的阻性电流分量构成,正常时阻性电流分量约占全电流的10~20%。避雷器事故主要由阻性电流分量异常增加,损耗剧增引起热崩溃,严重的引起避雷器爆炸。而全电流则能反映避雷器受潮、瓷件外表面严重污秽、内部元件接触不良、阀片老化等异常状况。
产品介绍
1、系统介绍
避雷器运行时的泄漏电流主要由线性的容性电流分量和非线性的阻性电流分量构成,正常时阻性电流分量约占全电流的10~20%。避雷器事故主要由阻性电流分量异常增加,损耗剧增引起热崩溃,严重的引起避雷器爆炸。而全电流则能反映避雷器受潮、瓷件外表面严重污秽、内部元件接触不良、阀片老化等异常状况。
IEM-612避雷器在线监测系统长期实时监测避雷器全电流和阻性电流,由后台绘制其变化趋势,相关人员根据变化趋势曲线,及时发现避雷器的劣化情况,进行必要的避雷器设备检修,以保障避雷器设备和变电站整套系统的安全。
2、系统组网图

3、系统原理分析
IEM-612避雷器在线监测系统采用基本法分析检测避雷器泄漏电流及诊断运行状况。通常流经金属氧化物避雷器电流包含容性成分IC和阻性成分IR,IC主要为基波成分,IR则除含有基波成分外,还含有丰富的谐波成分,这是由避雷器的非线性特性造成的。避雷器是否正常的主要特征就是判断其IR是否在正常的范围以内,监测系统主要任务就是从全电流中提取出IR。在正常状态下,其阻性电流IR远小于容性电流IC,因此全电流主要表现为IC。虽然IC在相位上超前于IR 90°,但对于两者的基波来说,在不引入外部参考信息的情况下很难将IR分离出来。由于IR和该项电压同相位,因此只要引入该项引入电压信号即可精确求取IR分量。
基于上述理论,系统中的电压、电流传感器通过485网络与现场测试元件连接,母线电压采集装置测量各相电压基波和各相电压的3/5/7/9次谐波分量,母线电压采集装置通过485网络向测试元件发送电压参量值,二者共同参与计算阻性电流。避雷器就地装置测量总泄漏电流的基波和3次谐波分量,与电压传感器协调计算出阻性电流分量。
4、系统组成
IEM-612避雷器在线监测系统适用于1000kV及以下电力系统各种避雷器,系统由IEM-612M避雷器在线监测、IEM-612V电压采集装置、IEM-612避雷器监测IED组成,可实时在线监测避雷器泄漏全电流、泄漏阻性电流、容性电流含量、落雷累计次数、落雷时间、系统频率、3次5次7次9次谐波电压及环境温湿度,并将检测处理后的数据以IEC61850通讯规约把监测数据及分析结果传送至在线监测监控后台或监控计算机(CAC),实现避雷器的全寿命周期的管理。
4.1 IEM-612M 避雷器在线监测
IEM-612M避雷器在线监测主要完成泄漏电流大小和雷击次数采集,以及现场温湿度数据采集(可选配)。IEM-612M避雷器在线监测由零磁通穿芯式互感器、大电流互感器、湿度传感器等组成,零磁通穿芯式互感器采集泄漏电流信号,具有灵敏度高、抗干扰强的特点,对1mA以下的泄流电流感应情况良好;作为辅助判断设备同时配有环境温湿度传感器,可以实时测量避雷器工作环境湿度,因为在不同湿度环境下测量的电流数据有一定的差异,采用多传感器融合的方法给出比较正确的运行数据。
4.2 IEM-612V 母线电压采集装置(可选配)
电压采集装置的主要功能是产生避雷器在线监测所需的基准电压信号,同时测量基准电压信号与各电压等级及各相PT电压的相位,将测量结果通过485网络发送至IEM-612避雷器在线监测,以用于计算全电流与母线电压的角差,进而计算出容性电流和阻性电流。PT电压信号取自母线压变二次侧,在二次端子上并接小型高阻采样装置。同时还采集系统频率及计算母线电压3、5、7、9次谐波电压。
4.3 IEM612 避雷器在线监测IED装置
IEM612避雷器监测IED装置的主要功能是数据处理和61850规约通信。IEM-612M 避雷器在线监测就地装置、IEM-612V 母线电压采集装置、IEM612避雷器监测IED三者在同一个485网络上,由IED控制通信的过程,采集装置和就地装置分别将数据上传到IED,由IED进行对时和数据的计算,IED全 面支持 IEC 61850规约,实现各配套厂家的无缝联接,真正实现智能设备间的数据共享。
5、技术参数

6、电磁兼容要求
6.1抗扰度要求
1) 静电放电抗扰度:装置应能承受GB/T 17626.2规定的严酷等级为4级的静电放电干扰。
2) 射频电磁场辐射抗扰度:装置应能承受 GB/T 17626.3规定的严酷等级为3级的射频电磁场辐射干扰。
3) 电快速瞬变脉冲群抗扰度:装置应能承受GB/T 17626.4规定的严酷等级为4级的电快速瞬变脉冲群干扰。
4) 浪涌(冲击)抗扰度:装置应能承受GB/T 17626.5规定的严酷等级为4级的浪涌(冲击)干扰。
5) 射频场感应的传导骚扰抗扰度:装置应能承受GB/T 17626.6规定的严酷等级为3级的射频场感应的传导骚扰干扰。
6) 工频磁场抗扰度:装置应能承受GB/T 17626.8规定的严酷等级为5级的工频磁场干扰。
7) 脉冲磁场抗扰度:装置应能承受GB/T 17626.9规定的严酷等级为5级的脉冲磁场干扰。
8) 阻尼振荡磁场抗扰度:装置应能承受GB/T 17626.10规定的严酷等级为5级的阻尼振荡磁场干扰。
9) 电压暂降、短时中断抗扰度:装置应能承受GB/T 17626.11规定的电压为40%UT,持续时间10个周波的电压暂降干扰。
6.2电磁发射试验要求
装置电源端口应符合GB/T 14598.16-2002中 4.1规定的A级传导发射限值,外壳端口应符合GB/T 14598.16-2002中4.2规定的A级辐射发射限值,按GB/T 14598.16-2002中4.1和4.2规定的A级电磁发射限值评定试验结果。
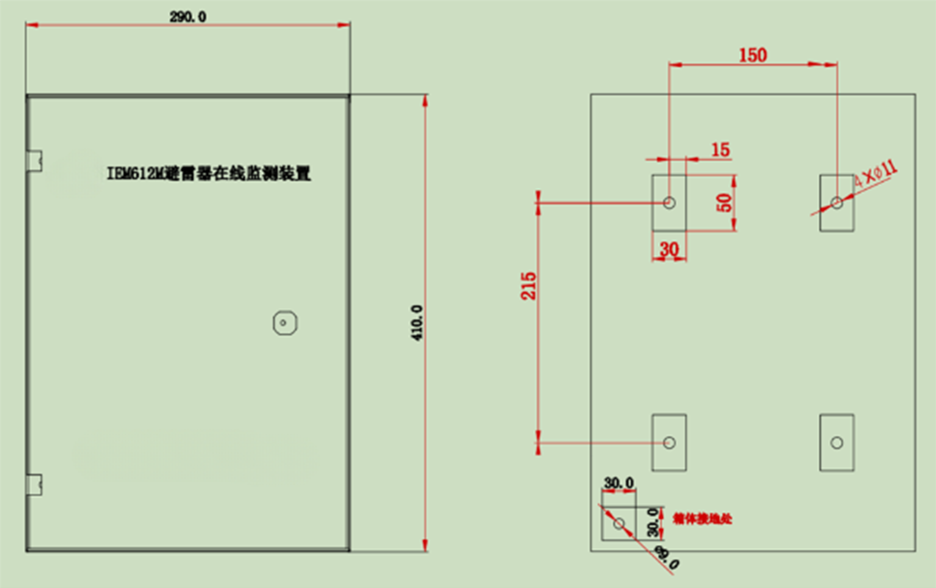
7、IEM-612M 避雷器在线监测安装尺寸图

8、IEM-612M 避雷器在线监测接线图

相关推荐+更多
-
IEM615C型变压器铁芯接地电流监测装置
电力变压器是电力系统中最重要的电气设备,运行中一旦出现故障,将会对电力系统造成严重的后果。正常运行的变压器铁芯一点接地,铁芯接地电流在O-100mA之内,如果有两点或者两点以上同时接地,则铁芯与大地之间将形成电流回路,最大电流可达到几十安培,将会造成铁芯局部过热甚至烧毁,造成一定的经济损失。引发变压器故障的原因有多种,并且变压器的故障类型也有多种,据有关统计资料表明,因铁芯绝缘问题造成的故障比例占变压器各类故障的第三位。
-
IEM-611断路器机械特性在线监测装置
暂无简介
-
EM8000/II 环境监控主机
暂无简介







